Description
| Main part metarial | Body | WCB(A105 | 2G1Cr18Ni9Ti | CF8(304) | CF8(304L) | 2G1Cr18Ni12Mo2Ti | 0Cr17Ni12Mo2 | 0Cr17Ni14Mo2 |
| Body | CF8 | CF8 | CF8 | CF3 | CF8M | CF8M | CF3M | |
| Valve shaft | 2Cr13 | 1Cr18Ni9T | 0Cr18Ni9 | 0Cr19Ni10 | 1Cr18Ni12Mo2T | 0Cr17Ni12Mo2 | 0Cr17Ni14Mo2 | |
| Springs | 0Cr18Ni9 | 0Cr18Ni9 | 0Cr18Ni9 | 0Cr19Ni10 | 0Cr17Ni12Mo2 | 0Cr17Ni12Mo2 | 0Cr17Ni14Mo2 | |
| Applicable conditions | Medium | Water, gas and oils | Corrosive media such as nitric acid | Oxidizing media | Acetic acid and other corrosive media | Urea and other corrosive media | ||
| Temperature | -29~425℃ | -196~540℃ | -196-425℃ | -196~540℃ | -196~455℃ | |||
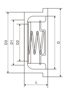
Outline and connecting measurememt

| PN MPa |
DN (mm) | Size(mm) | Weight (kg) |
Flange(For refer) | |||||||
| L | D | D3 | D2 | D1 | Bolt hole center circle diameter D1 | Bolt quantity | Bolt diameter d | Bolt Length L1 | |||
| PN1.0 MPa PN1.6 MPa |
15 | 30 | 50 | 15 | 44 | 25 | 0.12 | 65 | 4 | M12 | 75 |
| 20 | 30 | 60 | 19 | 52 | 30 | 0.24 | 75 | 4 | M12 | 90 | |
| 25 | 30 | 68 | 24 | 60 | 36 | 0.34 | 85 | 4 | M12 | 90 | |
| 32 | 35 | 80 | 31 | 72 | 43 | 0.53 | 100 | 4 | M16 | 100 | |
| 40 | 35 | 88 | 39 | 74 | 52 | 0.80 | 110 | 4 | M16 | 105 | |
| 50 | 40 | 102 | 48 | 98 | 62 | 1.2 | 125 | 4 | M16 | 125 | |
| 65 | 50 | 125 | 63 | 117 | 75 | 2.2 | 145 | 4 | M16 | 130 | |
| 80 | 60 | 140 | 78 | 128 | 90 | 3.1 | 160 | 8 | M16 | 135 | |
| 100 | 68 | 165 | 98 | 112 | 5.7 | 180 | 8 | M16 | 150 | ||
| 125 | 80 | 190 | 123 | 132 | 10 | 210 | 8 | M16 | 180 | ||
| 150 | 100 | 213 | 148 | 158 | 14 | 240 | 8 | M20 | 210 | ||
| 200 | 110 | 265 | 198 | 208 | 24 | 295 | 8 | M20 | 240 | ||
| 250 | 132 | 333 | 248 | / | 208 | 35 | 350 | 8 | M20 | 260 | |
| 300 | 150 | 380 | 280 | / | |||||||
| PN2.5 MPa |
15 | 30 | 50 | 15 | 44 | 25 | 0.12 | 65 | 4 | M12 | 80 |
| 20 | 30 | 60 | 19 | 52 | 30 | 0.24 | 75 | 4 | M12 | 90 | |
| 25 | 30 | 69 | 24 | 60 | 36 | 0.34 | 85 | 4 | M12 | 90 | |
| 32 | 35 | 81 | 31 | 72 | 43 | 0.53 | 100 | 4 | M16 | 110 | |
| 40 | 35 | 89 | 39 | 74 | 52 | 0.80 | 110 | 4 | M16 | 115 | |
| 50 | 40 | 105 | 48 | 98 | 62 | 1.2 | 125 | 4 | M16 | 125 | |
| 65 | 50 | 125 | 63 | 117 | 75 | 2.2 | 145 | 8 | M16 | 135 | |
| 80 | 60 | 140 | 78 | 128 | 90 | 3.1 | 160 | 8 | M16 | 145 | |
| 100 | 70 | 165 | 98 | 112 | 7.0 | 190 | 8 | M20 | 160 | ||
| 125 | 80 | 187 | 123 | / | 132 | 12 | 220 | 8 | M24 | 205 | |
| 150 | 100 | 215 | 148 | 158 | 15 | 250 | 8 | M24 | 225 | ||
| 200 | 110 | 265 | 198 | 208 | 26 | 310 | 12 | M24 | 260 | ||
| PN4.0 MPa |
15 | 52 | 15 | 44 | 25 | 0.12 | 65 | 4 | M12 | 80 | |
| 20 | 62 | 19 | 52 | 30 | 0.24 | 75 | 4 | M12 | 90 | ||
| 25 | / | 72 | 24 | 60 | 36 | 0.34 | 85 | 4 | M12 | 90 | |
| 32 | / | 83 | 31 | 72 | 43 | 0.53 | 100 | 4 | M16 | 110 | |
| 40 | 93 | 39 | 74 | 52 | 0.80 | 110 | 4 | M16 | 115 | ||
| 50 | / | 109 | 48 | 98 | 62 | 1.2 | 125 | 4 | M16 | 125 | |
| 65 | / | 129 | 62 | 117 | 75 | 2.2 | 145 | 8 | M16 | 135 | |
| 80 | / | 144 | 76 | 128 | 90 | 3.1 | 160 | 8 | M16 | 145 | |
| 100 | / | 168 | 95 | 112 | 9 | 190 | 8 | M20 | 160 | ||
| 125 | 196 | 110 | 132 | 14 | 220 | 8 | M24 | 205 | |||
| 150 | / | 224 | 127 | / | 158 | 18 | 250 | 8 | M24 | 225 | |
| 200 | 291 | 165 | 208 | 28 | 320 | 12 | M27 | 275 | |||





Đánh giá
Chưa có đánh giá nào.