Description
One of the key highlights of the D71 Wafer Butterfly Valve is its excellent cost-performance ratio. It provides reliable flow control capabilities comparable to more expensive alternatives, yet at a much more affordable price point. This makes it an ideal option for projects where budget considerations are crucial without compromising on quality.
The design of this valve features a compact and lightweight structure, facilitating easy installation and maintenance. The wafer-style connection simplifies the assembly process, reducing installation time and costs. With its precise control mechanism, it can accurately regulate the flow of liquids or gases, enhancing the overall efficiency of the system it is integrated into.
Performance Specifications
| Nominal pressure | 150LB | MPa |
| Shell test pressure | 2.4 | |
| Seal test pressure | 1.76
|
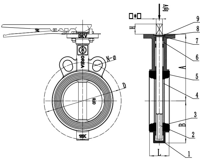
Outline and connecting measurememt

| DN | 50 | 65 | 80 | 100 | 125 | 150 | 200 |
| L | 41 | 44 | 44 | 50.2 | 53 | 54 | 60 |
| D | 120.6 | 139.7 | 152.4 | 190.5 | 215.9 | 241.3 | 298.5 |
| N-0 | 4-19 | 4-19 | 4-19 | 8-19 | 8-22 | 8-22 | 8-22 |
| A | 130 | 146.5 | 156 | 169 | 192 | 211 | 245 |
| B | 66 | 73 | 81.5 | 98.5 | 113 | 129.5 | 158.5 |
| D1 | 65 | 65 | 65 | 90 | 90 | 90 | 125 |
| D2 | 50 | 50 | 50 | 70 | 70 | 70 | 102 |
| N-S | 4-7 | 4-7 | 4-7 | 4-10 | 4-10 | 4-10 | 4-12 |
| H | 27 | 27 | 27 | 29 | 29 | 29 | 37 |
| □*□ | 9*9 | 9*9 | 9*9 | 11*11 | 14*14 | 14*14 | 17*17 |





Đánh giá
Chưa có đánh giá nào.